|
Новости
|
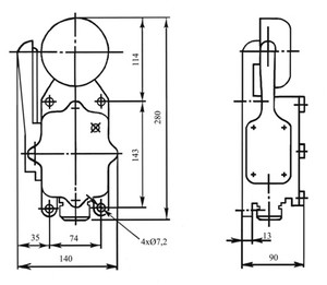
Оповещатель охранный звуковой ЗВЛПНазначение Оповещателя охранного звукового ЗВЛП: Оповещатель охранный звуковой ЗВП, предназначен для подачи мощных звуковых сигналов, комбинированных с подачей светового сигнала, в системе сигнализации административных и промышленных зданий, а также во многих других схемах электрических цепей переменного тока. Оповещатель ЗВЛП изготавливается в следующих напряжениях: , 220, 127, 110, 36, 24, 12 вольт. Технические характеристики Оповещателя ЗВЛП:
Оповещатель ЗВЛП устойчиво работает при колебаниях напряжения переменного тока в пределах ± 10% и колебания частоты в пределах ± 2%. Корпус Оповещателя ЗВЛП изготовлен из алюминиевого сплава и обеспечивает надежную защиту электромагнитного механизма от проникновения влаги. Габаритные и установочные размеры Оповещателя ЗВЛП: |



